NEET Physics
Grouping Of Cells
Low Priority
Consistency: 15%
Weightage: 3 / 20 Yrs
High-Yield Trend
1
2020 1
2018 1
2006 Questions 3 MCQs
01
PYQ 2006
medium
physics ID: neet-200
Two cells having the same emf, are connected in series through an external resistance R. Cells have internal resistance r1 and r2 respectively. When the circuit is closed, the potential difference across the first cell is zero. The value of R is:
1.
2.
3.
4.
1
(1)
2
(2)
3
(3)
4
(4)
02
PYQ 2018
easy
physics ID: neet-201
A battery consists of a variable number of identical cells (having internal resistance each) which are connected in series. The terminals of the battery areΒ short-circuited and the current is measured. Which of the graphs shows the correct relationship between and
| 1. | 2. | ||
| 3. | 4. |
1
(1)
2
(2)
3
(3)
4
(4)
03
PYQ 2020
easy
physics ID: neet-202
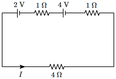
For the circuit shown in the figure, the current will be:
Β 
| 1. | 2. | ||
| 3. | 4. |
1
(1)
2
(2)
3
(3)
4
(4)