NEET Physics
Rectifier
Low Priority
Consistency: 15%
Weightage: 3 / 20 Yrs
High-Yield Trend
1
2025 1
2023 1
2022 Questions 3 MCQs
01
PYQ 2022
easy
physics ID: neet-202
In half-wave rectification, if the input frequency is Hz, the output frequency will be:
| 1. | Hz | 2. | zero |
| 3. | Hz | 4. | Hz |
1
(1)
2
(2)
3
(3)
4
(4)
02
PYQ 2023
medium
physics ID: neet-202
A full wave rectifier circuit consists of two junction diodes, a centre-tapped transformer, capacitor and a load resistance. Which of these components remove the ac ripple from the rectified output?
1. load resistance
2. a centre-tapped transformer
3. junction diodes
4. capacitor
1. load resistance
2. a centre-tapped transformer
3. junction diodes
4. capacitor
1
(1)
2
(2)
3
(3)
4
(4)
03
PYQ 2025
medium
physics ID: neet-202
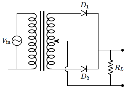
A full wave rectifier circuit with diodes and is shown in the figure. If input supply voltage volt, then at
| 1. | and Β both are forward biased |
| 2. | and Β both are reverse biased |
| 3. | Neither β nor β conducts at any time |
| 4. | is reverse biased, Β is forward biased |
1
(1)
2
(2)
3
(3)
4
(4)